Medición del caudal con el sensor del impulsor
Preguntas frecuentes sobre el tema de la medición del caudal
Medición de caudal con sensor de rodete (tipo 406020) en un LOGOSCREEN nt/fd (tipo 706581/85) y en un dTRANS CR/pH02 (tipo 202551/52)
Medición de caudal con sensor de impulsión en un LOGOSCREEN nt/fd
Tipo 406020, Tipo 706581/85
Índice
image
PNP-Transistor
PNP-Transistor
m
landscape
image
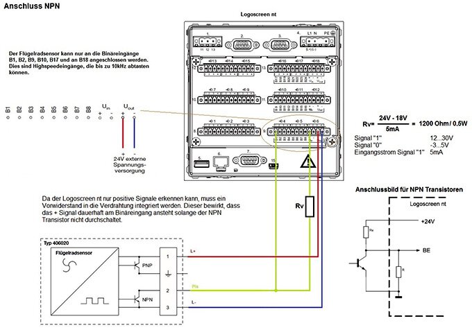
NPN-Transistor
NPN-Transistor
m
landscape
image
m
landscape
Ajustes en la configuración
image
m
landscape
Visualización como entrada analógica
Los contadores e integradores no pueden introducirse directamente en los grupos. Primero hay que introducirlos en las matemáticas para poder llamarlos de nuevo más tarde durante la configuración de los grupos.
Los contadores e integradores no pueden introducirse directamente en los grupos. Primero hay que introducirlos en las matemáticas para poder llamarlos de nuevo más tarde durante la configuración de los grupos.
image
m
landscape
image
m
landscape
Pistas
La medición del flujo es el caudal actual (comparable al velocímetro de un coche).
image
Datos técnicos (extracto de la ficha técnica 706581):
Datos técnicos (extracto de la ficha técnica 706581):
m
landscape
image
Extracto del manual de instrucciones 706581:
Extracto del manual de instrucciones 706581:
m
landscape
image
m
landscape
image
m
landscape