Type 202560
JUMO AQUIS 500 pH
Table of content

The JUMO AQUIS 500 pH cannot be calibrated. What could be the reason?

This can have a number of different causes:

  • If asymmetry is the case a bridge between terminals 3 and 5 must be connected to terminal strip 2. This bridge is included in the accessory bag.
  • The electrode cable has become damp. This can lead to the high-impedance electrode signal being heavily loaded and thereby reduced by contact resistances at the connector.
  • The electrode is defective. This can be caused by such factors as a broken electrode shaft or a dirty diaphragm. Even if the KCL of the combination electrode is used up, the JUMO AQUIS 500 can no longer be calibrated. Note: an electrode should not be stored for too long as the electrode will already age if it is not installed.
  • The buffer solution is too old.

Can I get a demo version of the setup software for the JUMO AQUIS 500?

A 30-day trial version is available for testing the setup software.
This means that all functions of the setup software can be used without restriction for 30 days after the first installation. Setup data transfer and saving of the setup file are automatically blocked after 30 days.
By entering a license number for the full version, the functions of the setup software can be unlocked again without time restriction (even after 30 days).

The software can be downloaded from the JUMO website at

http://software-download.jumo-en.info

I cannot enter any settings in the setup program. The background is completely gray. How can I change that?

A new document must first be created (File → New). Afterwards you can select whether you want to set the hardware of the device manually (user-defined) or whether the software should automatically detect the device hardware in online mode.

Is it possible to retrofit relay or analog outputs on-site on the device itself?

Retrofitting of outputs by the customer is not intended.

After pressing the CAL key a lock will appear behind the calibration type. At that point the calibration cannot be carried out.

The calibration level can be accessed via the administrator level. The default password is 300. To start the calibration via the CAL key, the calibration type of your choice must first be activated in the administrator level under "Calib. Enable".

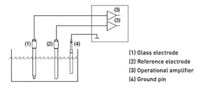
What is the difference between the symmetrical and asymmetrical connection of pH electrodes?

The symmetrical connection allows measurement errors caused, for example, by a poorly insulated electric motor to be avoided to a certain extent.
The difference lies in the connection of the glass and reference electrode or the combination electrode. Instead of the bridge from terminal 3 to 5 (asymmetrical connection) the liquid potential of the measurement medium must be connected to the transmitter via a ground pin. Nothing has to be changed in the device configuration.

image
https://do2p1q9b92sgp.cloudfront.net/rendition/353604884319/image_0j0go9tqfh2ht21ifs1nnne74e/
Asymmetrical connection
Asymmetrical connection
m
portrait
image
https://do2p1q9b92sgp.cloudfront.net/rendition/353604884319/image_q6567upent5rf11lccdkq5lm37/
Symmetrical connection
Symmetrical connection
m
landscape
If the connection is asymmetrical the glass electrode is connected to the transmitter with high impedance and the reference electrode is connected to the transmitter with low impedance. This difference can lead to incorrect measurements due to potential shifts.
If the connection is symmetrical the glass and reference electrodes are each connected to the device electronics via an operational amplifier. Both OPs register a potential shift as a result of which the voltage difference remains the same.

How can the device be reset to the default data state?

The JUMO AQUIS 500 can be reset to the JUMO default setting in the administrator level. For access enter the number 8192 during code query.
The JUMO AQUIS 500 then performs a reset. This process takes about 10 seconds.

How can the device software version of the JUMO AQUIS 500 be found out?

To find out the device software version, press the "PGM" and "up arrow" keys simultaneously.

Where can the JUMO AQUIS 500 be switched from pH to redox measurement?

This setting can be entered under "Basic setting".
The various operating mode options are available here:

  • Standard pH electrode
  • Antimony pH electrode
  • ISFET pH electrode
  • Redox measurement
  • Ammonia measurement

After changing the operating mode the device asks if it should be reinitialized.
If the answer is no the old settings are retained. After initialization, the basic settings corresponding to the selected operating mode are applied.